Pt1000TG7/M, temperature probe, cable 5 m
Temperature probe with Pt1000 sensor.
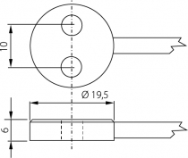
Brass surface probe with cable of specified length, with MiniDIN connector. Range from -30 to +200°C, accuracy ±(0,15+0,002 |t|). Diameter 18mm, width 6.5mm, 2wires.
Mounting by a M4 srew or fixing by a self adhesive tape. IP65 protection.
Optionally also available with cable of various lengths. For other cable lengths use the selector.
-
codeSN166M
- $132
Technical data
Measured value
Temperature
TEMPERATURE SENSOR
Measuring range
-50 to +200 °C
Accuracy
± (0.15 + 0.002 t) at °C
Accuracy class
A
Time response
t0.5 <10 s (on flat surface of Al prism without paste)
Type of sensing element
Pt1000
Temperature coefficient
3850 ppm / °C
GENERAL TECHNICAL DATA
Wire connection
2-wire connection
Material of the case
brass
Dimensions of the case
height 6 ± 0.1 mm;
diameter 19.5 ± 0.1 mm;
mounting holes diameter 4.3 ± 0.05 mm
diameter 19.5 ± 0.1 mm;
mounting holes diameter 4.3 ± 0.05 mm
Lead-in cable
silicone shielded
Length of lead-in cable
5 meters
Connector
MiniDin
IP protection
IP65
Warranty
30 months
